Jihoon.Folio
NewLight
Ceramic Speaker
Translating the ceramic making process into the design suitable for sound with combination of wood shaping to build a fully functional bluetooth speaker.
Sketch Ideation


During the initial stage of the project, the ceramic speaker was visually captured as detailed as possible without having a deep knowledge on the ceramic making process. As shapes affect on how the acoustic sounds is travelled, sound is dependant on how well the shape is made that was further noted during the exploration stage.
Design Development
In the design development phase, several aspects of the ceramic speakers was further explored: this including the overall shape of both ceramic and wood compartments, internal components, and the position of key features such as control buttons and connection cable.

Methods

Lathe Machine

Drill Press

Two-Part Slip Cast Molding

Glazing

Soldering

Sanding

Wood Finish
Experimentation Process
Due to the short duration of this project before getting straight into the final prototyping it was necessary to undergo the experimentation process, which is getting familiar with the main methods that will be used to build the ceramic speaker. In this case, learning and practicing on how to build a ceramic piece through two-part slip cast molding method as well as utilising workshop machines to shape the wood as desired. This stage was crucial as it provides the knowledge while practising in a correct manner during each methods, and realise how each step is properly done.

Speaker Housing
The first half of the experimentation process consists of building a housing case for the speaker (a rudimental one) and the internal block that would hold all of the speaker components.
Two-Part Slip Cast Molding

The second half of the experimentation process consists of learning about the two-part slip cast molding. Once main steps were noted, a small piece of ceramic was produced that started from shaping the piece on the lathe machine.





Production Process
Following on from the experimentation process where all of the methods that will be used were learnt and practiced, the production process is the stage where the final prototype is built. The production process is divided into three segments. Firstly, the ceramic cover (made out of porcelain) is built through a two-part slip cast molding method. Once the ceramic part is completed the wooden base as well as internal platform is made using various wooden tooling and machines in the workshop. Once the previous two steps are completed, the internal components are placed inside.

1
2
4
6
8
10
3
5
7
9
1-2 Using a block made out of renshape, the block is shaped on the lathe machine for a plaster mold.
3-5 Shaped block is drilled into the box, and plaster is poured over it in order to create the mold. Clay is used cover the half.
6 Slip clay (porcelain) is poured into the plaster mold.
7-8 Once the cast comes out from the plaster mold, the piece is set right during its ‘leather state’. Afterwards a clear gloss glazing is applied after bisque fired before the final firing.
9-10 Nine casts were placed inside the kiln to be fired twice. After the first firing, little excess is removed with a stainless knife and put back for a second round before hardening.
11-13 The bottom part of the speaker is made using a finger joined pine, which was also shaped using a lathe machine.
14-15 Holes are created for the chargeable battery and circuit board. Gaps for charging port and aux chord were created through drilling and sanding.
16-17 Acoustic foam that has been cut is fitted inside the porcelain case.
17-19 When all internal components is placed, all timber parts is glued and screwed. These parts would later become the bottom part of the speaker.
20-21 After this stage the timber part is sanded using a grinder and the sanding machine to create the correct curves as desired.

15
12
11
14
13
16
17
19
20
21
18

22
23
24
25
26
22-23 Prior to gluing and screwing timber parts, holes were pre-drilled for the dowels to go through that would later situate the buttons for the speaker.
24-26 Due to the short length of the speaker's cable, an extended wire was connected by re-soldering.
Final Outcome
This is a portable Bluetooth speaker featuring a porcelain cast housing achieved from slip cast molding that is connected to the pine body which holds the internal components of the speaker and a leather bottom to complete a minimalist look. The shape and the texture was inspired by human sculptures that emphasise organic lines and contours to define their simplicity. The purpose of this speaker was to produce similar clues as well as creating a warm atmosphere. It’s form defines its ‘simplicity’ through minimal features of the speaker.
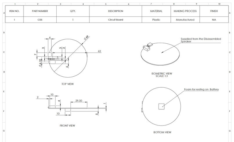
Technical Drawing
Material List & OEM Components



























































